Magneet, rond, met bewerkbaar hechtingsoppervlak, NDFEB

Artikelnummer: K1403.06
Prijs per 1 Stuk
Individuele prijzen voor zakelijke klanten na aanmelding.
op aanvraag
Geschatte levertijd: 1-2 weken
0 stuks direct leverbaar

Selecteer type en hoeveelheid van het artikel

Prijs per stuk incl. BTW

Beschikbaarheid

Let op de langere levertijd en beperkt advies:
Doordat het niet tot ons hoofdassortiment behoort en daardoor niet bij ons op voorraad is, bestellen wij dit artikel voor u rechtstreeks bij de fabrikant. Info

Toevoegen aan wenslijst

Deel dit product

of kopieer deze link

Productdetails

Identificatie en classificatie

Artikelnummer K1403.06
EAN/GTIN 4059245336654
Nummer fabrikant K1403.06
Fabrikant/verantwoordelijke persoon Heinrich Kipp Werk GmbH & Co. KG, Heubergstraße 2, 72172 SULZ AM NECKAR, Deutschland, www.kippwerk.de

Omschrijving

Omschrijving:

materiaal
  • Behuizing messing.
  • NdFeB met magnetische kern (neodymium).
Voorbeeld van bestellen
  • K1403.06
Opmerking
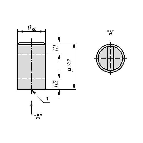
  • Smooth uitvoering, afgeschermd systeem. Neodymium staafgrijpers mogen nooit rechtstreeks in het strijkijzer worden gedrukt, anders zal de kleefkracht verloren gaan door magnetische kortsluiting. diameter „D”-massa met montagetolerantie h6.
  • De balkgrijpers kunnen worden ingekort of machinaal bewerkt met de afmeting „H1 en H2”.
Temperatuurbereik
  • max. 150 °C.
Montage
  • De magneten kunnen worden gemonteerd door ze in te drukken, erin te schroeven of vast te lijmen.
Tekening notitie
  • 1) klevend oppervlak

Kenmerk:

  • H 2: 3 mm
  • H 1: 10 mm
  • Materiaal basis: NDFEB
  • Benaming: Magneet
  • Oppervlakte component: geslepen
  • RoHS: ja
  • Uitvoering 1: rond
  • Uitvoering 2: met bewerkbaar hechtoppervlak
  • Bevestigingswijze: zonder
  • D = buitendiameter: 6
  • Gevaarlijke stoffenklasse: Gevaarlijke stoffen klasse 9
  • Hechtkracht: 9 N
  • Temperatuur* max. °C: 150
  • Afstand tot ijzeren wanden: 1,5 mm
  • Houdkracht bij H 2 max.: 12 N

Downloads en documenten

Diensten en productadviseurs

Meld u aan bij uw account

Bent u een nieuwe klant?

Login

Uw contactpersoon

Commissie instellen

Je klantenkaart

Laat de QR-code zien bij het afrekenen.
Opgehaald op 

Inhoud winkelwagen

Naar de winkelwagen
Naar de winkelwagen