Magneet, staafgrijper, rond, NDFEB

Artikelnummer: K1397.1608
Prijs per 1 Stuk
Individuele prijzen voor zakelijke klanten na aanmelding.
op aanvraag
Geschatte levertijd: 1-2 weken
0 stuks direct leverbaar

Selecteer type en hoeveelheid van het artikel

Prijs per stuk incl. BTW

Beschikbaarheid

Let op de langere levertijd en beperkt advies:
Doordat het niet tot ons hoofdassortiment behoort en daardoor niet bij ons op voorraad is, bestellen wij dit artikel voor u rechtstreeks bij de fabrikant. Info

Toevoegen aan wenslijst

Deel dit product

of kopieer deze link

Productdetails

Identificatie en classificatie

Artikelnummer K1397.1608
EAN/GTIN 4059245336098
Nummer fabrikant K1397.1608
Fabrikant/verantwoordelijke persoon Heinrich Kipp Werk GmbH & Co. KG, Heubergstraße 2, 72172 SULZ AM NECKAR, Deutschland, www.kippwerk.de

Omschrijving

Omschrijving:

materiaal
  • Roestvrijstalen behuizing 1,4104.
  • NdFeB met magnetische kern (neodymium).
  • Zelfklevend oppervlak met rubberbekleding (TPE).
Voorbeeld van bestellen
  • K1397.1306
Opmerking
  • Staafgrijper met uitwendige schroefdraad, afgeschermd systeem. Met met rubber beklede kleeflaag om gevoelige oppervlakken te beschermen. De rubberbescherming verhoogt de wrijvingscoëfficiënt, zodat hoge wrijvingskrachten aan de zijkant worden bereikt.
Temperatuurbereik
  • max. 80 °C.
Montage
  • De balkgrijpers met een met rubber bekleed klevend oppervlak kunnen worden gebruikt als een magnetisch stopsysteem.
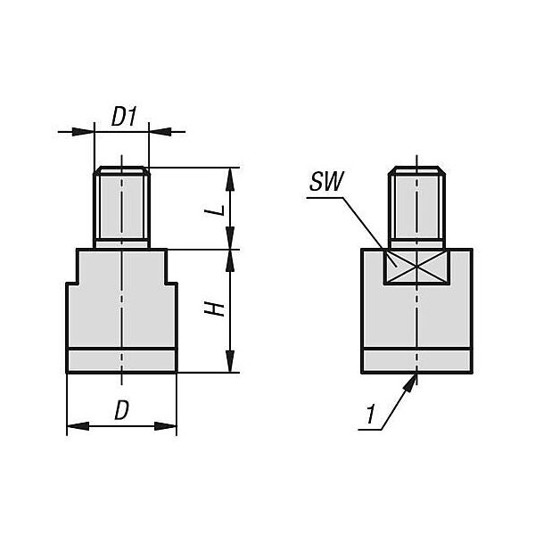
Tekening notitie
  • 1) klevend oppervlak

Kenmerk:

  • Materiaal component: Rubber
  • Materiaal basis: NDFEB
  • Benaming: Magneet
  • PL Roestvrij staal: true
  • Uitvoering 1: Staafgrijper
  • Uitvoering 2: rond
  • Bevestigingswijze: Buitendraad
  • SW: 13
  • D = buitendiameter: 16
  • D 1=schroefdraad: M8
  • Hechtkracht: 23 N
  • Temperatuur* max. °C: 80

Downloads en documenten

Diensten en productadviseurs

Meld u aan bij uw account

Bent u een nieuwe klant?

Login

Uw contactpersoon

Commissie instellen

Je klantenkaart

Laat de QR-code zien bij het afrekenen.
Opgehaald op 

Inhoud winkelwagen

Naar de winkelwagen
Naar de winkelwagen