• Chers clients, Notre entreprise sera fermée du 24/12/2025 au 04/01/2026. À partir du lundi, 05/01/2026, nous serons de nouveau à votre disposition. Nous vous souhaitons un joyeux Noël et une année 2026 pleine de réussite !

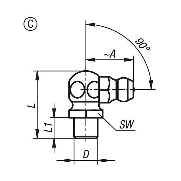
Graisseur conique, Forme C, trempé et galvanisé, DIN 71412, coudé à 90° avec hexagone, Acier

Réf.: K2316.131011
Prix par 1 Unité
+ TVA en vigueur Prix et frais de livraison
Prix personnalisés pour les clients professionnels après connexion.
Sur demande
Délai de livraison estimé : 1 à 2 semaines
0 article(s) en stock

Sélectionnez la variante et la quantité

Prix par 1 Unité (TVA incluse)

Disponibilité

Veuillez noter le délai de livraison et les conseils limités:
Nous commandons cet article pour vous directement chez le fabricant, car il ne fait pas partie de notre assortiment principal et n’est donc pas en stock chez nous. Infos

Ajouter à la liste de favoris

Partager ce produit

ou copier ce lien

Détails du produit

Identification et classification

Référence article K2316.131011
EAN / GTIN 4059245993420
Réf. fabricant K2316.131011
Fabricant/personne responsable Heinrich Kipp Werk GmbH & Co. KG, Heubergstraße 2, 72172 SULZ AM NECKAR, Deutschland, www.kippwerk.de

Description

Description:

matériau
  • Acier ou acier inoxydable 1.4305.
modèle
  • Acier trempé min. 550 HV 1, galvanisé.
  • Acier inoxydable blanc.
Note
  • Les graisseurs coniques conviennent aux points de lubrification qui doivent être lubrifiés fréquemment et de manière fiable. Grâce à leurs nombreuses possibilités d’utilisation, ils font partie des types de graisseurs les plus répandus.
  • Les graisseurs coniques sont équipés d’un tenon lisse; tenon pour l’enfoncement. Les graisseurs à enfoncer ne conviennent qu’aux faibles pressions.
Montage
  • La taille exacte de l’alésage de logement dépend du matériau et doit être déterminée par des essais de montage chez l’utilisateur. La mesure de référence pour l’alésage du logement correspond au diamètre du cône que nous avons indiqué.
  • Pour les graisseurs droits, il est recommandé d’utiliser l’outil d’insertion, qui permet de presser doucement le mamelon fileté.

Caractéristique(s):

  • Matériau du corps de base : Acier
  • Appellation : Graisseur conique
  • PL Acier inoxydable : faux
  • RoHS : vrai
  • Surface du corps principal : trempée et galvanisée
  • A: 13 mm
  • Type: C
  • L 1 : 5,5 mm
  • Type de forme : coudé à 90° avec hexagone
  • DI : DIN 71412 N
  • Ouv.: 11
  • D = diamètre : 10

Conseillers produits et services

Connectez-vous

Etes-vous un nouveau client?

Se connecter

Votre interlocuteur

Fixer la commission

Votre carte de client

Veuillez présenter le code QR à la caisse.
Récupéré le 

Dans le panier

Consultation du panier
Consultation du panier