5-Achs-Basismodul, Form A, UNILOCK, oxidiert, Fuß ohne Langloch, Gr. 80MM, ohne Verdrehsicherung, Einsatzstahl

Artikel-Nr.: K0960.1210050400
Preis pro 1 Stück
Individuelle Preisanzeige für Geschäftskunden nach Anmeldung.
auf Anfrage
Voraussichtliche Lieferzeit: 1-2 Wochen
0 Stück sofort lieferbar

Variante und Stückzahl wählen

Stückpreis inkl. MwSt.

Verfügbarkeit

Bitte beachten Sie die Lieferzeit und eingeschränkte Beratung:
Diesen Artikel bestellen wir für Sie direkt beim Hersteller, da er nicht Bestandteil unseres Hauptsortiments ist und somit nicht bei uns auf Lager liegt. Infos

Auf die Merkliste setzen

Dieses Produkt teilen

oder kopieren Sie diesen Link

Produktdetails

Identifikation & Klassifikation

Artikelnummer K0960.1210050400
EAN / GTIN 4059245244386
Herstellernummer K0960.1210050400
Hersteller/verantwortliche Person Heinrich Kipp Werk GmbH & Co. KG, Heubergstraße 2, 72172 SULZ AM NECKAR, Deutschland, www.kippwerk.de

Beschreibung

Beschreibung:

Werkstoff
  • Vergütungsstahl.
Ausführung
  • Grundkörper oxidiert.
  • Funktionsflächen gehärtet und geschliffen.
Hinweis
  • Die UNILOCK 5-Achs-Basismodule sind adaptierbar direkt auf Maschinentische mit Lochrastersystem oder Maschinentische in T-Nutenausführung, sowie auf Rasterpaletten mit Rasterabstand 40/50 mm Systemgröße M12. Passend zu UNILOCK Nullpunkt Spannsystem mit UNILOCK Spannbolzen. Mit einem entsprechenden Adapterspannbolzen kann auch auf die gängigen Nullpunkt-Spannsysteme direkt aufgebaut werden.
Mit den UNILOCK Spannbolzen in Verbindung mit den Befestigungsschrauben M10, M12, M16 sind folgende Haltekräfte möglich
  • - Haltekraft (M10) 35.000 N
  • - Haltekraft (M12) 50.000 N
  • - Haltekraft (M16) 75.000 N
  • Haltekraft mit Zylinderschraube DIN EN ISO 4762 -12.9
  • Spannbolzen dürfen nur in Verbindung mit einer montierten Wechseleinheit im Spannmodul gespannt werden.

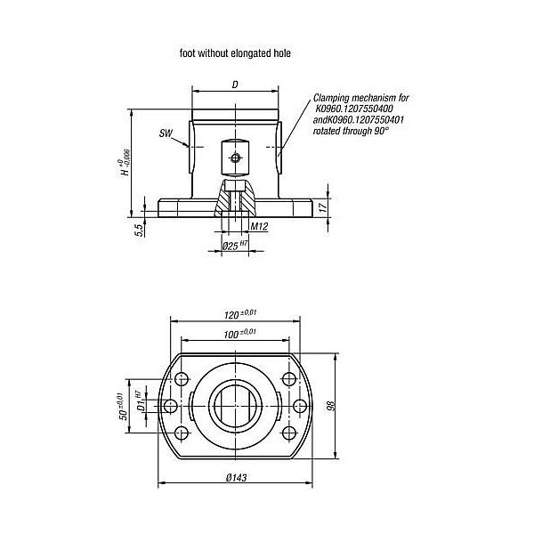
Merkmal:

  • H 1: 24 mm
  • Größe: SYSTEMGRÖßE 80MM
  • Material Grundkörper: Einsatzstahl
  • Benennung: 5-Achs-Basismodul
  • RoHS: true
  • Oberfläche Grundkörper: oxidiert
  • Ausführung 1: UNILOCK
  • Ausführung 2: Fuß ohne Langloch
  • Form: A
  • Form-Typ: ohne Verdrehsicherung
  • SW: 6
  • Haltekraft F: 50 kN
  • D=Durchmesser: 80
  • D 1=Durchmesser: 12
  • Anzieh- drehmoment max.: 15 Nm
  • Einzugskraft: 15 kN

Downloads & Dokumente

Services & Produktberater

Anmelden

Login

Ihre Ansprechperson

Kommission festlegen

Ihre Kundenkarte

Bitte weisen Sie den QR-Code an der Kasse vor.
Abgerufen am 

Im Warenkorb

Zum Warenkorb
Zum Warenkorb