• Dieses Produkt ist nur für Geschäftskunden verfügbar.

Spannstation, Form A, UNILOCK, 2-fach, ohne Verdrehsicherung

Artikel-Nr.: K1009.2200395195
Preis pro 1 Stück
Individuelle Preisanzeige für Geschäftskunden nach Anmeldung.
auf Anfrage
Voraussichtliche Lieferzeit: 1-2 Wochen
0 Stück sofort lieferbar

Variante und Stückzahl wählen

Stückpreis inkl. MwSt.

Verfügbarkeit

Bitte beachten Sie die Lieferzeit und eingeschränkte Beratung:
Diesen Artikel bestellen wir für Sie direkt beim Hersteller, da er nicht Bestandteil unseres Hauptsortiments ist und somit nicht bei uns auf Lager liegt. Infos

Auf die Merkliste setzen

Dieses Produkt teilen

oder kopieren Sie diesen Link

Produktdetails

Identifikation & Klassifikation

Artikelnummer K1009.2200395195
EAN / GTIN 4059245245048
Herstellernummer K1009.2200395195
Hersteller/verantwortliche Person Heinrich Kipp Werk GmbH & Co. KG, Heubergstraße 2, 72172 SULZ AM NECKAR, Deutschland, www.kippwerk.de

Beschreibung

Beschreibung:

Hinweis
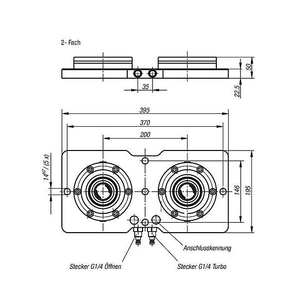
  • Fertig aufgebaute Mehrfach-Spannstationen mit integrierten UNILOCK Spannmodulen ERGO 138. Die Spannstationen werden mittels Spannbriden oder durch direkte Verschraubung auf dem Maschinentisch befestigt.
  • Gängige Bohrbilder auf der Rückseite für die Befestigung sind vorzentriert.
  • Über die Referenzbohrungen 14H7 können die Spannstationen ausgerichtet werden.
  • Die Spannmodule werden zentral über einen Pneumatikanschluss betätigt.
  • Die hohen Spannkräfte werden durch das integrierte Federpaket erzeugt (die Einheit ist drucklos gespannt).
  • Der Lösevorgang erfolgt pneumatisch.
Mit den UNILOCK Spannbolzen in Verbindung mit den Befestigungsschrauben M10, M12, M16 sind folgende Haltekräfte möglich
  • - Haltekraft (M10) 35.000N/Modul
  • - Haltekraft (M12) 50.000N/Modul
  • - Haltekraft (M16) 75.000N/Modul
  • Haltekraft mit Zylinderschraube DIN EN ISO 4762 -12.9.
  • Spannbolzen dürfen nur in Verbindung mit einer montierten Wechseleinheit im Spannmodul gespannt werden.
Zubehör
  • UNILOCK Spannbride für UNILOCK Spannstationen K1869.
Technische Daten
  • - Einzugskraft mit Turbo von 18 kN/Modul.
  • - Öffnungsdruck: 6bar, geölte Luft.
  • - Turbodruck: 6bar.
  • - Luftanschluss: G1/4.
  • - Wiederholgenauigkeit ≤ 0,005 mm.
  • - Referenzbohrungen 14H7 zum Ausrichten der Spannplatte.

Merkmal:

  • Benennung: Spannstation
  • RoHS: true
  • Ausführung 1: UNILOCK
  • Ausführung 2: 2-fach
  • Form: A
  • Form-Typ: ohne Verdrehsicherung

Downloads & Dokumente

Services & Produktberater

Prospekte (PDF)

If you see this, something went wrong, or you disabled javascript

Formulare

If you see this, something went wrong, or you disabled javascript

Aktionen

If you see this, something went wrong, or you disabled javascript

Login

Ihre Ansprechperson

Kommission festlegen

Ihre Kundenkarte

Bitte weisen Sie den QR-Code an der Kasse vor.
Abgerufen am 

Im Warenkorb

Zum Warenkorb
Zum Warenkorb